一、操作面板功能介紹及基本設置
1.1 操作面板功能介紹
VDF750系列變頻器配備了直觀易用的LED操作面板,用于功能碼操作、狀態監控與控制。操作面板的主要功能包括:
RUN(運行)指示燈:指示變頻器當前是否處于運行狀態。
LO/RE(運行指令)指示燈:指示當前的運行控制源(面板、端子或通訊)。
FWD/REV(正反轉)指示燈:指示電機當前旋轉方向。
TUNE/TC(調諧/轉矩控制/故障)指示燈:指示當前的轉矩控制模式或故障狀態。
通過操作面板上的編程鍵(PRG)、確認鍵(ENT)、遞增鍵(+)和遞減鍵(-)等功能鍵,用戶可以方便地修改參數、監控狀態和控制變頻器。

1.2 初始化參數
初始化參數可以將變頻器的設置恢復到出廠狀態,具體操作步驟如下:
接通電源:確保變頻器已正確接線并接通電源。
進入參數設置界面:按下PRG鍵進入編程模式,使用遞增鍵或遞減鍵選擇到PP組參數。
設置參數初始化:將PP-01設置為1,按下ENT鍵確認。此時,變頻器的參數將恢復到出廠設置(不包括電機參數)。
1.3 自學習操作
自學習操作可以讓變頻器自動獲取被控電機的電氣參數,以提高控制精度。具體操作步驟如下:
電機脫開負載:如果可能,將電機從負載上脫開,確保電機能空載自由轉動。
選擇自學習方式:將P1-37設置為2(異步機動態完整調諧)或3(異步機靜止完整調諧),按ENT鍵確認。
啟動自學習:按下操作面板上的RUN鍵,變頻器將自動驅動電機進行調諧操作,完成后自動停止。
1.4 設置和消除密碼
為了保護參數不被隨意修改,可以設置用戶密碼。

二、正反轉啟動停止及外部電位器調速設置
2.1 接線說明
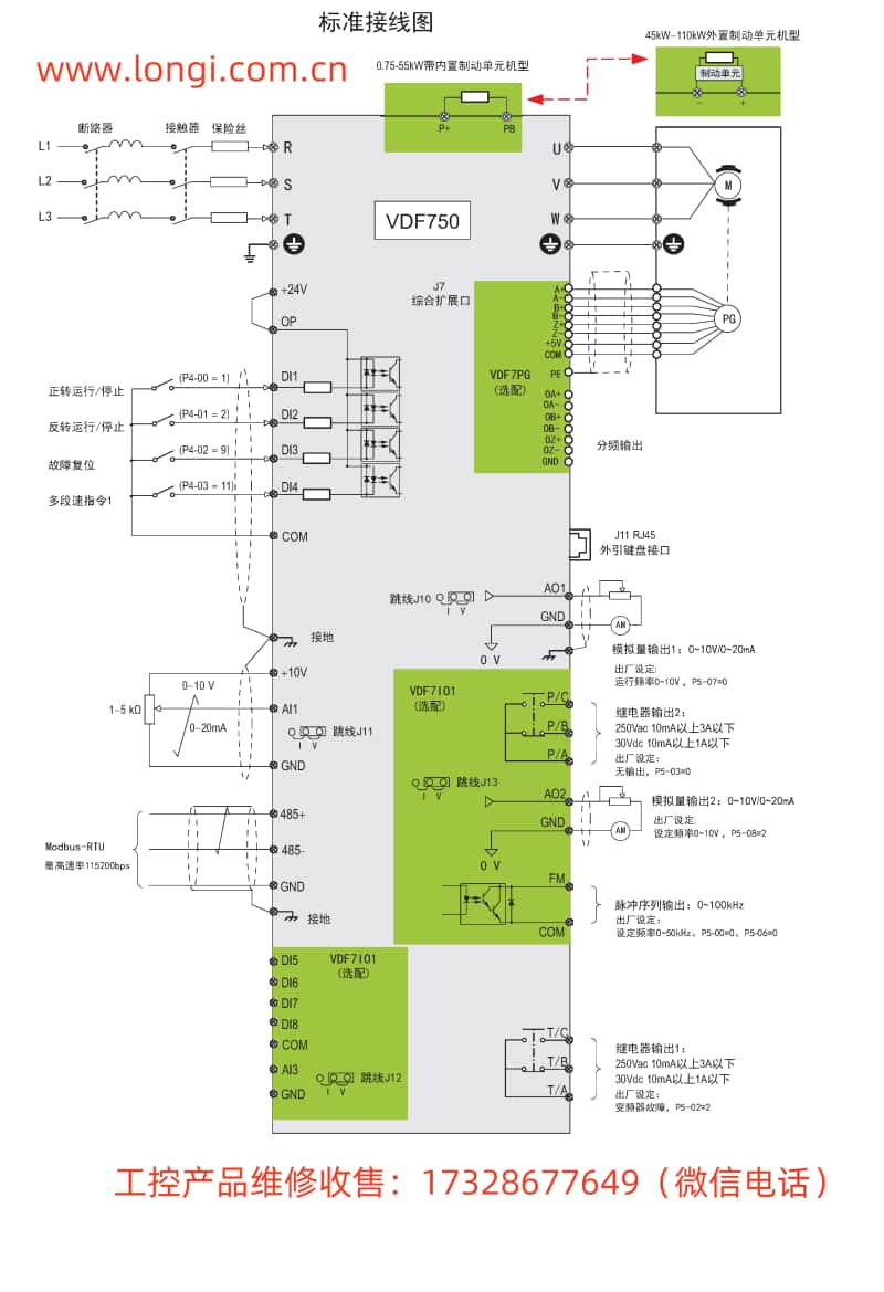
為了實現正反轉啟動停止及外部電位器調速,需要正確接線至變頻器的控制端子。具體接線如下:
正轉啟動:將外部正轉按鈕或繼電器觸點連接至DI1端子(正極)和COM端子(負極)。
反轉啟動:將外部反轉按鈕或繼電器觸點連接至DI2端子(正極)和COM端子(負極)。
停止:將外部停止按鈕或繼電器觸點連接至DI3端子(正極)和COM端子(負極)。
外部電位器調速:將外部電位器的中心抽頭連接至AI1端子,一個端點連接至+10V端子,另一個端點連接至GND端子。
2.2 參數設置
運行指令選擇:將P0-02設置為1(端子控制)。
DI端子功能設置:
P4-00設置為1(DI1為正轉運行)。
P4-01設置為2(DI2為反轉運行)。
P4-02設置為9(DI3為故障復位)。
AI端子功能設置:
三、故障代碼分析和解決方法
3.1 故障代碼分析
VDF750系列變頻器具有完善的故障診斷功能,當發生故障時,變頻器會顯示相應的故障代碼。以下是一些常見故障代碼及其可能原因:
Err02:加速過電流。可能原因包括輸出回路短路、電機堵轉或參數設置不當。
Err03:減速過電流。可能原因包括制動電阻損壞、減速時間設置過短或負載慣性過大。
Err04:恒速過電流。可能原因包括電機過載、參數設置不當或外部干擾。
Err05:加速過電壓。可能原因包括輸入電壓過高、減速時間設置不當或未加裝制動電阻。
3.2 解決方法
四、總結
韋德韋諾VDF750系列變頻器用戶手冊提供了詳細的操作指南和參數設置方法,通過正確理解和應用手冊中的知識,用戶可以輕松實現變頻器的初始化、自學習操作、密碼設置與消除、正反轉啟動停止及外部電位器調速等功能。同時,手冊還提供了豐富的故障代碼分析和解決方法,幫助用戶快速定位并解決問題,確保變頻器的穩定運行。