一、操作面板功能介紹及關鍵參數設置
1.1 操作面板功能介紹
富士變頻器FRENIC-Multi(FRN E1S)系列的操作面板提供了直觀的用戶界面,使用戶能夠輕松進行參數設置和監控。操作面板上的主要功能包括:
LED顯示屏:用于顯示設定頻率、輸出頻率、輸出電流、輸出電壓等關鍵信息。
運行鍵(RUN):按下此鍵開始正轉運行。
停止鍵(STOP):按下此鍵減速停止變頻器。
上箭頭鍵(UP)和下箭頭鍵(DOWN):用于調整設定頻率。
雙鍵操作:結合不同鍵可進入不同的操作模式,如程序模式、報警模式等。

1.2 電子熱繼電器功能設置
電子熱繼電器功能用于保護電機免受過載損害。關鍵參數設置包括:
F10(特性選擇):選擇電機的冷卻系統特性,通常設置為1(通用電機的自我冷卻風扇)。
F11(動作值):設定電子熱繼電器的動作電流值,一般設置為電機額定電流的1.0~1.1倍。
F12(熱時間常數):設定電機在動作值電流下的動作時間,通常根據電機容量和特性選擇出廠設定值或適當調整。
1.3 瞬間斷電再啟動功能設置
瞬間斷電再啟動功能允許變頻器在瞬間斷電后自動恢復運行。關鍵參數設置包括:
F14(動作選擇):選擇瞬間斷電再啟動的動作模式,如0(不動作)、4(以停電時的頻率再啟動)、5(以啟動頻率再啟動)等。
H13(等待時間):設定瞬間斷電后到再啟動前的等待時間,以避免在電機殘留電壓較高時啟動。
H16(瞬間停電容許時間):設定允許的最大斷電時間,超過此時間則不進行再啟動。
1.4 端子FM功能選擇和設置
端子FM用于輸出模擬信號,如輸出頻率、輸出電流等。關鍵參數設置包括:
1.5 頻率檢測和到達值使用和設置
頻率檢測和到達值功能用于監控變頻器的輸出頻率。關鍵參數設置包括:
E31(頻率檢測動作值):設定頻率檢測的動作頻率。
E32(滯后寬度):設定頻率檢測的滯后寬度,以避免頻繁的動作。
E30(檢測寬度):設定頻率到達的檢測寬度,以判斷輸出頻率是否到達設定值。
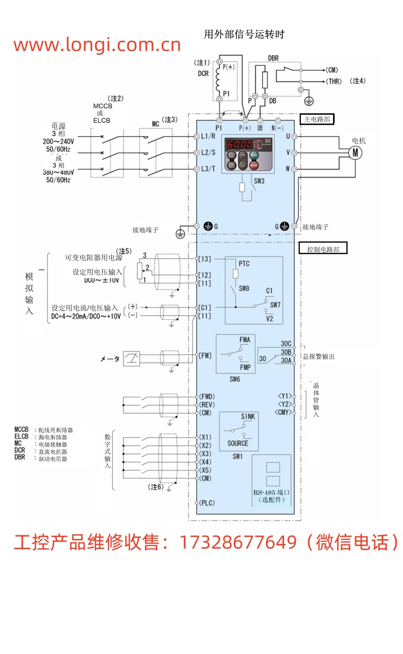
二、端子啟動正反轉和外部電位器給定調速實現
2.1 端子啟動正反轉實現
要實現端子啟動正反轉,需要接線和設置以下參數:
2.2 外部電位器給定調速實現
要實現外部電位器給定調速,需要接線和設置以下參數:

三、故障代碼含義分析和解決方法
富士變頻器FRENIC-Multi系列提供了豐富的故障代碼,用于指示各種可能的故障情況。以下是一些常見的故障代碼及其含義和解決方法:
OC1/OC2/OC3(過電流保護):表示輸出電流超過了變頻器的額定電流。解決方法包括檢查電機負載是否過大、電機是否堵轉、輸出電路是否有短路等。
LU(欠電壓保護):表示變頻器的直流中間電路電壓過低。解決方法包括檢查輸入電源是否穩定、輸入電壓是否在允許范圍內、直流中間電路是否有短路等。
OH1(散熱片過熱保護):表示變頻器的散熱片溫度過高。解決方法包括檢查環境溫度是否過高、變頻器是否通風不良、散熱風扇是否正常工作等。
OL1(電機過載保護):表示電機過載。解決方法包括檢查電機負載是否過大、電機是否堵轉、電機參數設置是否正確等。
四、總結
富士變頻器FRENIC-Multi(FRN E1S)系列手冊提供了詳盡的操作指南和參數設置說明,使用戶能夠輕松實現變頻器的各種功能。通過本文的介紹,用戶可以了解操作面板的功能、關鍵參數的設置方法、端子啟動正反轉和外部電位器給定調速的實現方式以及故障代碼的含義和解決方法。這些知識和技能將幫助用戶更好地使用和維護富士變頻器,提高生產效率和設備可靠性。