一、操作面板功能介紹與參數設置
1.1 操作面板功能介紹
默貝克變頻器MT500系列配備了一個功能強大的操作面板,通過鍵盤和顯示屏,用戶可以方便地進行參數設置、監控變頻器狀態以及進行故障排查。操作面板的主要功能鍵包括:
ESC:返回上一級菜單。
ENTER:確認選擇,進入下一級菜單或使參數生效。
UP/DOWN:上下移動光標,選擇功能碼或更改參數值。
M.K:多功能鍵,默認為“正轉點動”功能,可自定義。
SHIFT:右移光標,切換監控量。
RUN:使變頻器運行。
STOP:停止變頻器運行,故障時用于復位。

1.2 設置密碼與消除密碼
為了防止非授權人員更改變頻器參數,MT500系列支持用戶密碼設置。具體操作如下:
設置密碼:在停機狀態下,連續輸入兩次相同的非零值,即可設定用戶密碼。
解鎖與更改密碼:輸入密碼后,按兩次ENTER鍵解鎖。連續輸入兩次新密碼即可更改密碼。
消除密碼:解鎖后,連續輸入兩次“0”即可清除密碼。
1.3 鎖定參數與參數初始化
二、端子控制與外部調速
2.1 端子正反轉控制
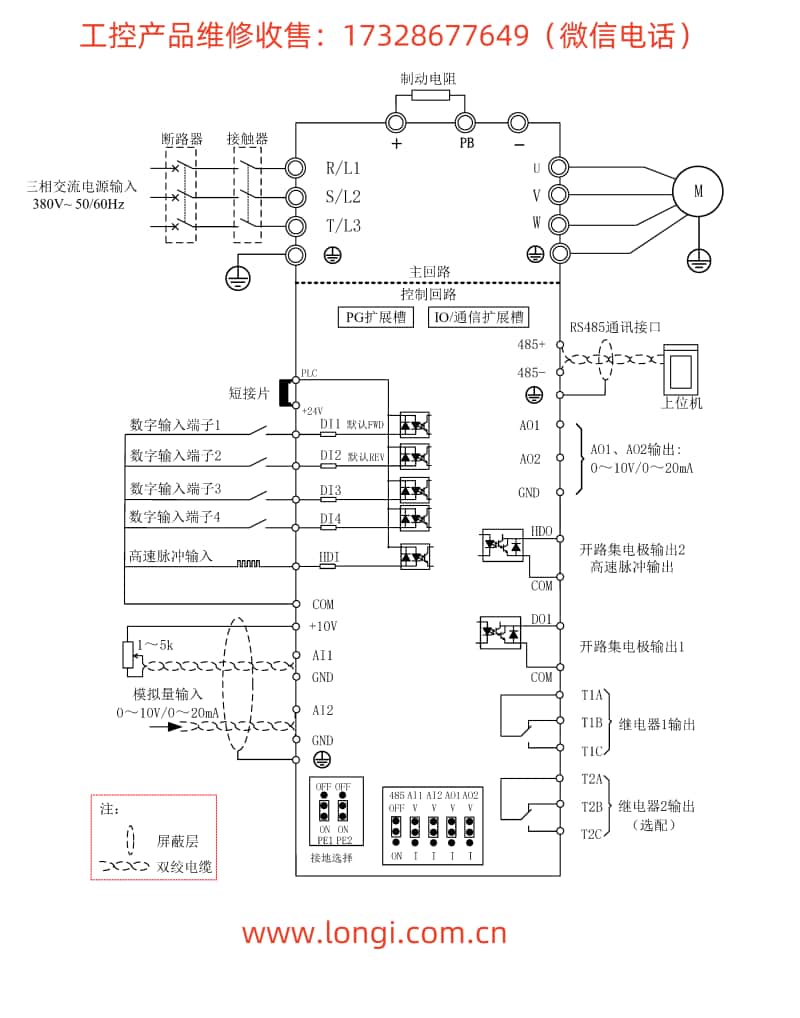
通過端子實現正反轉控制,需連接外部控制信號到變頻器的DI端子。具體接線和參數設置如下:
2.2 外部電位器調速
外部電位器調速通過模擬量輸入實現,具體接線和參數設置如下:

三、故障代碼與解決方法
MT500系列變頻器具備完善的保護功能,當發生故障時,會顯示相應的故障代碼。以下是一些常見的故障代碼及其含義和解決方法:
Er.GF:對地短路。可能原因包括電機絕緣不良、電纜破損等。解決方法包括檢查電機絕緣電阻、電纜連接等。
Er.tCK:模塊溫度檢測異常。可能由于環境溫度過低或硬件故障導致。解決方法包括提高環境溫度、尋求技術支持等。
Er.Cur:電流檢測故障。可能由電流檢測元件或驅動板異常引起。需尋求技術支持。
Er.PGL:編碼器斷線。可能原因包括電機堵轉、編碼器線數設置錯誤等。解決方法包括檢查電機及機械情況、正確設置編碼器參數等。
Er.oS:電機超速故障。可能由于編碼器參數設置不正確或未進行參數辨識導致。需正確設置編碼器參數并進行電機參數辨識。
四、總結
默貝克變頻器MT500系列用戶手冊提供了詳盡的操作指南,包括操作面板功能介紹、參數設置、端子控制、外部調速以及故障排查等內容。通過本文的介紹,用戶可以快速掌握變頻器的基本操作方法和故障解決方法,確保變頻器的正常運行和高效使用。在實際應用中,用戶應根據具體需求合理設置參數,并定期對變頻器進行維護和保養,以延長其使用壽命并提高運行效率。